Menerapkan Cara Perawatan Sistem Pengaman
Menerapkan cara perawatan sistem pengaman - Setelah mempelajari materi tentang
sistem pengaman kelistrikan kendaraan, peserta didik dapat :
- Melakukan identifikasi komponen sistem pengaman kelistrikan kendaraan
- Melakukan pemeriksaan kondisi komponen sistem pengaman kelistrikan kendaraan
- Melakukan overhaul komponen sistem pengaman kelistrikan kendaraan
- Melakukan perbaikan dan penggantian komponen sistem pengaman kelistrikan kendaraan
Jaringan kelistrikan pada sebuah kendaraan terdiri atas tiga sistem utama,
yaitu kelistrikan mesin, kelistrikan body dan kelistrikan aksesoris.
Masing-masing sistem kelistrikan tersebut masih terbagi menjadi beberapa
sistem kelistrikan yang memiliki ruang lingkup lebih kecil.
Sebuah dan/atau beberapa faktor seringkali menimbulkan permasalahan atau
kerusakan pada jaringan kelistrikan kendaraan, contoh adanya hubung singkat
(konsleting) yang dapat menyebabkab kerusakan pada komponen sistem kelistrikan
tertentu.
Sebagai upaya untuk melindungi komponen-komponen pada jaringan kelistrikan
kendaraan dibutuhkan suatu komponen pengaman jaringan kelistrikan tersebut.
|
| Berbagai macam komponen pengaman pada jaringan kelistrikan kendaraan |
A. Sistem Pengaman Kelistrikan Kendaraan
Pengaman jaringan kelistrikan pada sebuah kendaraan terdiri dari tiga macam
komponen. Sekring (fuse), fusible link dan circuit breaker digunakan sebagai
komponen-komponen yang melindungi jaringan kelistrikan pada sebuah kendaraan.
Barang-barang ini disisipkan kedalam jaringan kelistrikan kendaraan untuk
melindungi kabel-kabel atau conector serta berbagai komponen kelistrikan
lainnya yang digunakan dalam jaringan kelistrikan.
Dengan kata lain sekring (fuse), fusible link dan circuit breaker berguna
untuk mencegah timbulnya kebakaran karena adanya arus yang berlebihan atau
hubungan singkat (konsleting).
|
| Kotak Fuse, fusible link dan circuit breaker pada unit kendaraan |
Kumpulan dari berbagai pengaman yang terdiri dari beberapa sekering (fuse)
diletakkan dalam kotak sekering (fuse box) yang dilengkapi dengan tutup kotak
dengan gambar spesifikasi sekering yang digunakan.
Kotak sekering diletakkan diruang mesin berdekatan dengan beterai atau di
bawah dashboard sisi kanan berdekatan dengan pengemudi. Keberadaan tutup kotak
sekering yang bergambar spesifikasi penggunaan sekering untuk suatu sistem
tertentu, memudahkan kalau melakukan penggantian sekering.
B. Komponen dan Cara Kerja Sistem Pengaman Kelistrikan Kendaraan
Sebuah kendaraan yang kita ketahui bukan hanya soal mesin saja. Tetapi terdapat bagian lain yang tak kalah penting, seperti chassis ataupun sistem kelistrikan. Meski sifatnya bukan sebagai bagian utama namun mesin mobil memerlukan bantuan listrik untuk terjadi pembakaran.
Sistem kelistrikan mobil adalah rangkaian energi listrik yang disusun untuk menjalankan sebuah fungsi tertentu pada sebuah kendaraan. Sedangkan fungsi dari sistem pengamanan pada kendaraan adalah berfungsi dalam melindungi kabel, konektor, sakelar, dan komponen sistem kelistrikan lainnya yang sering mengalami kerusakan pada komponen akibat hubungan singkat.
Komponen pengaman ini dipasang dengan cara menyisipkan pada rangkaian sistem kelistrikan seperti fusible link, fuse, dan circuit breaker.
1. Sekering (fuse)
Sekering (fuse) ditempatkan pada bagian awal sirkuit kelistrikan. Bila arus
yang berlebihan melalui sirkuit,maka sekering akan berasap atau terbakar yang
menandakan elemen dalam sekering mencair sehingga sistem sirkuit terbuka dan
mencegah komponen komponen lain dari kerusakan yang disebabkab oleh arus yang
berlebihan. Tipe sekering dikelompokan kedalam tipe sekering blade dan tipe
sekering cartridge.
|
| Sekering tipe cartridge dan sekering tipe blade |
Sistem pengaman kelistrikan kendaraan saat ini lebih dominan menggunakan
sekring tipe blade dibandingkan tipe cartride, tipe blade dirancang lebih
kompak dengan elemen metal dan rumah pelindung yang tembus pandang yang diberi
kode warna untuk masing masing tingkatan atau spesifikasi arus.
|
| Sekering tipe blade dengan kode warna dalam ukuran maxi standar dan mini |
Sekring tipe cartridge terdiri atas rumah pelindung kaca tembus pandang,
terminal dan elemen penghubung arus, elemen penghubung arus ini akan mencair
(terbakar) jika arus yang melewatinya melebihi kapasitas elemen.
Sekering diidentifikasikan berdasarkan kapasitas masing- masing jenis, untuk
tipe cartridge dapat dilihat pada ujung logam penutup tabung kaca yang tertera
angka penunjuk kapasitas sekering. Sedangkan untuk sekering tipe blade dapat
dilihat berdasarkan warna rumah (housing).
|
| Tabel 9.1 Kapasitas sekering dan identifikasi warna |
2. Fusible link
Secara umum fungsi dan konstruksi fusible link sama dengan sekering. Perbedaan
utamanya adalah fusible link dapat digunakan untuk arus yang lebih besar
karena ukurannya lebih besar dan mempunyai elemen yang lebih tebal. Seperti
sekering fusible link dapat terbakar atau putus jika arusnya melebihi
kapasitasnya dan harus diganti dengan yang baru.
Menurut tipenya fusible link dapat diklasifikasikan ke
dalam dua tipe, yaitu: tipe cartridge dan tipe link. Fusible link tipe
cartridge dilengkapi dengan terminal dan bagian sekering dalam satu unit.
Rumahnya diberi kode warna untuk masing-masing tingkatan arus.
|
| Fusible link tipe cartridge dan tipe links |
Fusible link dapat diidentifikasikan berdasarkan kapasitasnya yang ditunjukan
dengan kode warna untuk masing-masing kapasitas. Di bawah ini dicontohkan dari
masing-masing kode warna fusible link.
|
| Fusible link dengan berbagai kode warna |
3. Circuit breaker
Circuit breaker digunakan sebagai pengganti sekring untuk melindungi dari
kesulitan pengiriman tenaga dalam sirkuit, seperti power windows dan sirkuit
pemanas (heater) Circuit breaker menurut tipenya dapat digolongkan dalam 3
(tiga) tipe, yaitu: manual reset type mechanical , automatic resetting type
mechanical dan automatically reset solid state type.
|
| Berbagai tipe circuit breaker |
Circuit breaker tipe manual reset type mechanical dan automatic resetting type
mechanical terdiri dari sebuah lempengan bimetal yang dihubungkan pada kedua
terminal dan satu diantaranya bersentuhan.
|
| Konstruksi circuit breaker manual reset type mechanical dan automatic resetting type mechanical |
Cara kerja:
Bila sejumlah arus yang berlebihan mengalir melalui circuit breaker, maka
bimetal menjadi panas. Dan ini menyebabkan lempengan membengkok, circuit
breaker hubunganya terbuka dan memutuskan aliran arus.
Tipe penyetelan
Circuit breaker dapat disetel. Penyetelannya ada tipe otomatis dan tipe biasa.
Tipe penyetelan otomatis
Circuit yang menyetel secara otomatis (rating 7,5 A) digunakan khusus untuk
melindungi sirkuit dari selenoid door lock (sistem 12V) yang membuka karena
arus yang berlebihan tetapi akan menyetel secara otomatis ketika temperatur
dari lempengan bimetal turun.
Tipe penyetelan biasa
Circuit breaker penyetelan biasa (manually-reset type mechanical) dilengkapi
untuk sistem 12 v dan 24 V. Ukuran arusnya adalah 10A,14A,20A dan 30A Circuit
breaker ada didalam junction block atau kotak sekring. Saat circuit breaker
terbuka disebabkan adanya arus yang berlebihan, circuit breaker disetel
kembali seperti yang diperlihatkan pada gambar dibawah.
|
| Circuit breaker penyetelan biasa (manually-reset type mechanical) |
C. Pengkabelan Sistem Pengaman Kelistrikan Kendaraan
Semua sistem kelistrikan yang ada pada kendaraan menggunakan sistem pengaman
pada rangkaiannya. Hal ini untuk menjaga komponen-komponen dari sistem dapat
terhindar dari kerusakan, misalnya karena hubung singkat (konsleting) arus
listrik.
Sistem kelistrikan pada kendaraan dari sistem yang paling sederhana sampai sistem yang kompleks menggunakan komponen pengaman seperti sekering (fuse), fusible link atau circuit breaker. Gambar-gambar wiring diagram tersebut di bawah merupakan beberapa contoh sistem kelistrikan pada kendaaan yang dilengkapi dengan komponen pengaman.
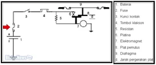
Sistem klakson (horn system) merupakan sistem isyarat pada kendaraan yang
berfungsi untuk memberikan isyarat kepada pengguna jalan yang lain bahwa
kendaraan yang kita kemudikan meminta prioritas, misalnya akan mendahului.
Rangkaian sistem klakson sangat sederhana dengan wiring: Beterai – sekering –
kunci kontak /tidak– tombol klakson – klakson – massa.
Sistem starter (starting system) yang merupakan sistem kelistrikan untuk
memberikan putaran awal pada mesin, juga menggunakan sistem pengaman pada
wiringnya. Namun sistem pengaman dipasangkan pada jaringan pemicunya, karena
pada jaringan utama sistem starter membutuhkan arus listrik yang sangat besar
dan bebas hambatan.
Jalur kelistrikan sistem starter melewati beberapa komponen pengaman sebagai
berikut:
Beterai (12) – Fusible link – sekering – terminal ST kunci kontak (11) –
sekering – relay (9) – saklar (10) – massa. Karena relay aktif maka terjadi
aliran arus dari beterai (12) – fusible link – sekering – relay (9) – magnetic
switch (3) – massa.
Karena magnetic switch aktif maka terjadi aliran arus listrik dalam kapasitas
besar dari beterai (12) – magnetic switch (3) – motor starter (8). Sistem
pengisian (charging system) sebagai sistem kelistrikan mesin menggunakan
beberapa komponen pengaman untuk mengantisipasi terjadinya kerusakan pada
komponen-komponen sistem pengisian apabila terjadi hubung singkat
(konsleting).
|
| Sirkuit sistem pengisian (charging system) dan jenis pengaman yang digunakan |
Sirkuit sistem pengapian (ignition system) konvensional menggunakan pengaman
fusible link untuk melindungi komponen-komponen sistem pengapian konvensional
dari kerusakan akibat terjadinya hubung singkat (konsleting) pada jaringan
sistem pengapian konvensional.
|
| Sirkuit sistem pengapian (ignition system) konvensional dan jenis pengaman yang digunakan |
Sirkuit sistem pengapian (ignition system) elektronik menggunakan pengaman
sekering (fuse) untuk melindungi komponen-komponen sistem pengapian elektronik
dari kerusakan akibat terjadinya hubung singkat (konsleting) pada jaringan
sistem pengapian elektronik
|
| Sirkuit sistem pengapian (ignition system) elektronik dan jenis pengaman yang digunakan |
D. Pemeriksaan Sistem Pengaman Kelistrikan Kendaraan
Sirkuit kelistrikan kendaraan terdiri atas bebarapa sistem yang terbagi dalam bebepa sistem kelistrikan. Karena beberapa faktor sering terjadi kerusakan pada sirkuit kelistrikan, misal: hubungan singkat yang dapat menyebabkan kerusakan pada komponen sistem kelistrikan tertentu. Untuk itu diperlukan suatu komponen yang dapat melindungi (pengaman) sirkuit kelistrikan pada kendaraan.
Sekring, fusible link dan circuit breaker digunakan sebagai komponen komponen yang meliondungi sirkuit. Barang-barang ini disisipkan kedalam sirkuit kelistrikan dan sistem kelistrikan untuk melindungi kabel-kabel dan conector yang digunakan dalam sirkuit untuk mencegah timbulnya kebakaran oleh arus yang berlebihan atau hubungan singkat.
1. Pemeriksaan secara visual
Untuk jenis sekering (fuse) dan fusible link, apabila terjadi aliran listrik
berlebihan pemutusan sirkuit akan terjadi karena kawat konduktor pada sekering
(fuse) dan fusible link akan meleleh atau terbakar sehingga sirkuit menjadi
terbuka, dan arus listrik berhenti mengalir.
Untuk jenis circuit breaker, apabila terjadialiran listrik berlebihan yang
mengalir melalui circuit breaker, maka bimetal menjadi panas, dan menyebabkan
lempengan membengkok, circuit breaker hubunganya menjadi terbuka dan
memutuskan aliran arus listrik.
|
| Pemeriksaan visual pada sekering (fuse) dan circuit breaker |
Dengan demikian pemeriksaan visual terhadap kerusakan pengaman dapat dilakukan
dengan melihat kondisi konduktor pada jenis sekering (fuse) dan fusible link
dan kondisi bimetal pada jenis circuit breaker.
Pemeriksaan menggunakan multimeter (AVO tester) Multitester atau multimeter
atau AVO meter merupakan alat untuk memeriksa atau mengetes kelistrikan dengan
fungsi penggunaan sangat luas yang meliputi; pengukur tegangan AC dan DC, Kuat
arus (A) dan Tahanan (resistor) serta dapat digunakan untuk memeriksa hubungan
kelistrikan suatu komponen.
Ada beberepa jenis multitester yang lazim digunakan, diantaranya: Multitester
model digital yang penunjukan hasil pengukurannya langsung dengan angkaangka
dan multitester model manual yang hasil pengukuran ditunjukan oleh jarum.
2. Pengetesan Hubungan
Untuk memeriksa hubungan kelistrikan, letakan range selector pada O X 1 dan
kalibrasi skalanya. Kemudian hubungkan kabel pengetesan pada kedua ujung
(terminal) komponen sistem pengaman. Hubungannya normal bila jarum menunjuk
selalu kekiri.
Demikian juga untuk menguji kondisi komponen sistem pengaman kelistrikan yang
meliputi: Sekring (fuse), fusible link dan circuit breaker. Sebelum pengujian
komponen pengaman dilakukan, pastikan bahwa sistem kelistrikan yang akan
diperiksa dalam kondisi tidak bekerja.
Pengukuran tahanan/hambatan dan pengecekan/pemeriksaan hubungan dapat
dilakukan hanya setelah seluruh hubungan komponen dilepaskan dari arus
kelistrikan. Bila tidak, kemungkinan tegangan akan mengalir ke tester dan
dapat membakar tahanan koil yang ada di dalam (internal coil resitance).
Jangan memindahkan saklar selector keposisi lain tanpa terlebih dulu
melepaskan kabel-kabel pengetes (test lead) dari komponen yang diperiksa,
karena dapat merusak tester.
LEMBAR PRAKTIKUM
Tujuan
Setelah melaksanakan praktikum diharapkan:
Siswa dapat mengidentifikasi dan memasang pengaman kelistrikan jenis sekring
(fuse), fusible link dan circuit breaker.
Alat dan Bahan
1. Panel sirkuit kelistrikan (simulator)
2. Perlengkapan solder
3. Lembar kerja
4. Wiring diagram kelistrikan
5. Kelengkapan keselamatan kerja
Keselamatan Kerja
1. Perhatikan posisi badan ketika melakukan pekerjaan penyolderan
2. Hindari menghisap asap timah solder
3. Gunakan alat keselamatan kerja seperti kacamata dan sarung tangan.
Langkah Kerja
1. Siapkan alat dan bahan yang diperlukan
2. Identifikasi arus pada masing-masing sirkuit sistem
3. Gunakan dan pasang jenis pengaman yang sesuai dengan kapasitas arus
sirkuit.
Tugas
1. Jelaskan cara memasang pengaman sirkuit sistem kelistrikan!
2. Faktor-faktor apa yang harus perhatikan saat memasang pengaman sirkuit
sistem kelistrikan!
3. Buat laporan praktek memasang pengaman sirkuit sistem kelistrikan!
RANGKUMAN
- Pengaman jaringan kelistrikan pada sebuah kendaraan terdiri dari tiga macam komponen, yaitu: sekring (fuse), fusible link dan circuit breaker.
- Cara kerja sekering (fuse) adalah bila arus yang berlebihan melalui sirkuit, maka sekering akan berasap atau terbakar yang menandakan elemen dalam sekering mencair sehingga sistem sirkuit terbuka dan mencegah komponen komponen lain dari kerusakan.
- Fusible link seperti sekering dapat terbakar atau putus jika arusnya melebihi kapasitasnya dan harus diganti dengan yang baru.
- Cara kerja circuit breaker adalah bila sejumlah arus yang berlebihan mengalir melalui circuit breaker, maka bimetal menjadi panas. Dan ini menyebabkan lempengan membengkok, circuit breaker hubunganya terbuka dan memutuskan aliran arus.
- Pemeriksaan sistem pengaman kelistrikan kendaraan diantaranya yaitu: pemeriksaan secara visual, pemeriksaan menggunakan multimeter (AVO tester), dan pengetesan hubungan.
SOAL LATIHAN
Kerjakanlah soal-soal di bawah ini dengan baik dan benar !
- Jelaskan fungsi sirkuit sistem pengaman yang dipasangkan pada kendaraan!
- Sebutkan jenis pengaman sirkuit dan perbedaan konstruksi dari masingmasing jenis pengaman tersebut!
- Sebutkan kapasitas (A) dan identifikasi warna pada sekring (fuse)
- Jelaskan perbedaan antara sekring (fuse) dan fusible link yang digunakan pada kendaraan !
- Jelaskan cara kerja pengaman jenis circuit breaker!
Demikian modul materi ini dapat digunakan dalam menerapkan cara perawatan sistem pengaman
kelistrikan kendaraan bermotor. Semoga bermanfaat.










%20dan%20jenis%20pengaman%20yang%20digunakan.jpg)
%20dan%20jenis%20pengaman%20yang%20digunakan.jpg)
%20dan%20jenis%20pengaman%20yang%20digunakan.jpg)
%20konvensional%20dan%20jenis%20pengaman%20yang%20digunakan.jpg)
%20elektronik%20dan%20jenis%20pengaman%20yang%20digunakan.jpg)
%20dan%20circuit%20breaker.jpg)
Post a Comment for "Menerapkan Cara Perawatan Sistem Pengaman "